保证金账户

收款人:云浮长弘项目管理有限公司

账号:80020000008889127

开户银行:云浮市云城区安塘农村信用社

财务联系人:黄小姐

财务联系电话:0766-8399668

服务费账户

收款人:云浮长弘项目管理有限公司

账号:44050182860800000030

开户银行:中国建设银行云浮市分行

财务联系人:黄小姐

财务联系电话:0766-8399668

文档下载
招聘英才

联系我们

    0766-8399669

更改、补充公告 AMENDMENT SUPPLEMENT
您当前所在位置:首 页 >> 更改、补充公告
云浮市住房和城乡建设局档案密集架采购项目更正公告
Date:2017/4/12 浏览人数:1846

    广东晓君招标采购代理有限公司 2017年04月11 广东晓君招标采购代理有限公司王钊上提交的云浮市住房和城乡建设局档案密集架采购项目445300-201702-107001-0001)(公开招标)采购公告, 代理机构笔误原因,现将原公告部分内容作如下更正/变更:

 

 

一、应澄清/更正事项:

 

(一)广东省政府采购网招标公告中的采购项目名称:档案密集架”。

 

招标文件第部分《投标邀请函P1-2“二、合格投标人条件”中的第2小点:“2.投标人必须是有效期内的中国档案学会密集储存类设备定点生产企业,报名时须提供相关证明文件复印件并加盖公章;”。

 

招标文件第二部分《报价人须知》P2-20“技术商务打分表”中的“检测报告——提供有效期内国家办公用品设备质量监督检验中心出具的实心方钢、不锈钢导轨(轨芯)、总承传动板、铝合金轨道检测报告”。

 

招标文件第三部分《用户需求书》P3-2页的“二、项目详细清单及参数需求一览表”中的第4小点,第5小点:

 4.密集架主要部件结构要求:

结构名称

相关要求

材质及

工艺

表面处理采用先进的静电喷塑工艺(颜色最终由用户确认),工件表面处理采用乳化剂和碱性助洗脱脂、磷酸除锈、锌系薄膜型磷化、钝化、最后粉末金属喷涂。喷涂为不含三酸异氰肝油(TGIC)的环氧树脂和聚脂树脂之混合型热固体粉末涂料,架体整体选用优质的钢板。注:板材厚度指钢板净厚,不包括涂料层

密集架

结构

分为双柱式结构,每层由两块板件组成,挂板双扣结构,层间距可据需任意调整,主要由轨道、底梁、立柱、层板、挂板、顶板、侧板、门板、传动装置、防倾倒件、防震制动件、缓冲密封装置组成。整体结构由底架、架体、传动机构、防护装置四大部分组成。

采用框架式结构,用材均采用热轧碳素钢折弯成型,高度大于120mm,并双弯边加强,弯边保持50mm,架体长期荷重存放资料不变形,底盘与立柱连接采用M10/55螺栓,并设有防倾倒装置,防止架体倾倒,底梁装配后的直线不大于0.5mm/m,全长不大于2mm

路轨

采用实心方钢与板件焊接组合成路轨,路轨顶端设有限位装置,防止底盘脱轨,轨连接采用嵌入式连接方式。轨道用膨胀螺丝或预埋式固定在地面上。按规定铺设轨道,轨道的平行偏差≤1mm,轨道之间任何位置的水平偏差≤0.5mm

立柱

采用优质冷轧板,其设计采取通用性、实用性,层数和间距可按需调整的设计方案,结构结实、坚固。立柱进行一次性冲压而成,立柱与底梁连接紧固方式:采用立柱插入底盘槽钢中用M10*30螺栓固定。

层板

带樟木采用双面(AB面)结构,用材均采用优质冷轧板,并采用三道弯边工艺,折弯高度为25mm,必要时增设加强筋,增加承载能力。每层层板能达到承重≥100kg。最大挠度为2mm,最大负荷载重24小时卸载后不得出现裂痕和钢性变形,残余变形量不大于0.2mm

档条

每二层层板中间设有一根档(豪华型),便于分隔架体双面存放档案,材料均采用优质冷轧板压制成U型,设计为自锁式档条,依靠档条和挂板之间的机械组合达到锁紧功能。

挂板

选用优质冷轧钢板冲压成型。挂板与立柱之间的连接方式采用双扣勾挂板,挂板与层板之间也采用双扣勾,挂板与立柱连接的扣勾和挂板与层板连接的扣勾平行度相差<1mm

侧板

材料选用优质冷轧板,折弯成型,侧板正面为豪华凹凸型,边角为圆弧型,立体感强、线条流畅,更显豪华高档。必要时采用压双筋加固提高抗压能力。侧面对接处间隙小于1.5mm

顶板

顶板为整体平板,选用优质冷轧板制造。

门板

门面板安装在密集架的首列和最后一列,选用优质冷轧板,门板设置有双层门,由用户选定.锁具使用豪华型扣拉式方形锁。

传动机构

 

1.手柄:采用方向盘式摇把,用塑钢制造。造型美观大方、摇把可隐藏、手感舒适,其结构为棘轮自动挂、脱挡,停用后摇把可自行停于垂直位置,可避免通道障碍,摇动任意一列不会带动其它把手。传动速比1:7:5,荷载能力,每标准节>600kg

2.传动系统:双向超越离合器结构,采用三分力、三变速、中间驱动方式自由挂档脱落装置。链轮为机械精加工而成,经锻压加工成型,回火去除应力,加工、滚点、插键槽、去毛齿、齿部经高频淬火HRC60-62。链条采用摩托车链条Φ8.5,节距12.7。滚珠轴承采用知名企业生产的名牌产品。链条破断力≥1800kg。滚轮采用铸铁制造;中轴和短轴采用Φ20mm45#实心圆钢;底盘轴承安装采用P204E级双排向心球高级轴承,精密度高,方向灵活,材料质量好,耐压与耐磨性能好,具有可靠的中心直线度,使架体滑动平衡、轻灵定位可靠,传动轻便灵活,摇手轻,运行平稳,性能达到和超过国家标准,即可单列移动也可多列同时移动。

5.主要部件、技术参数采用标准说明一览表:

序号

设备

名称

设备配置

材料规格

采用标准

性能说明

1

轨道

轨座

3.0mm

热轧钢板

GB710-88

表面静电喷塑,喷塑前严格去油除锈和磷化处理.路轨埋设按用户要求

路轨

20×20mm

实心方钢

GB699-88

2

底盘

底梁、轴档、夹紧块

3.0mm

热轧钢板

GB710-88

表面静电喷塑,喷塑前严格去油除锈和磷化处理.底盘采用整体焊接,钢性足,不变形,表面喷塑或喷漆

3

架体

挂板

1.0mm

冷轧钢板

GB710-88

架体结实、坚固、设计新颖,安装规范,层数和间距自由调整表面喷塑平正光亮,色泽均匀一致,无彭泡、脱落、伤痕等缺陷。外观漂亮。层板承重≥100kg,满负荷24小时后屈挠度≤3mm,制载后自动恢复,不得有裂纹及永久变形。

立柱

1.5mm

冷轧钢板

GB710-88

层板

1.0mm

冷轧钢板

GB710-88

4

门面

1.0mm

冷轧钢板

GB710-88

门板平整,款式新颖,表面亚光喷塑。ISO9001认证产品。

定位模块

ABS

注塑件

GB710-88

5

侧板

豪华

凹凸型

1.0mm

冷轧钢板

GB710-88

表面平整,款式新颖,表面亚光喷塑

6

传动

机构

轴承

HR204E级双排珠心

GB710-88

国内名牌轴承

传动轴

Φ20实心45mm#钢

GB699-88

传动机构配合精度高,定位可靠。传动轻便灵活,摇力轻,运行平稳,性能达到国标标准,不会出现失灵、打滑现象。滑轮载荷:2000kg/只。

连接钢管

Φ20实心45mm#钢

GB699-88

铁滚轮

HT204灰铁铸造

GB9434-88

链 轮

ZG45滚轮精制

GB1135-89

摩托车

链条

Φ8.5节距12.7FR420

GB1244-85

ISO9001认证产品,链条破断力≥1800kg

摇手

进口塑钢

双向超越离合器结构GB1285-85

造型美观大方,手感好,把手摇动任意一列均不会带动其它把手转动

摇手

体总成

滚珠轴承

7

制动

装置

边列锁定装具(总锁)

808锁

豪华型

每列均装有制动装置,操作方便,制动可靠,使用存取安全,经久耐用。

中列制动装置

制动开关

8

防护

装置

密封条

20mm

磁性冰箱门吸条

每列的接触面均有缓冲及密封装置,具有良好的防震、防尘、防鼠、防潮、防火功能。

顶板

1.0mm

冷轧钢板

GB710-88

防尘板、防鼠板

1.0mm

冷轧钢板

GB710-88

防倾倒

装  置

3.0mm

热轧钢板

GB710-88

9

表面

处理

前处

理药剂

Zn磷化

美国标准

ISO9001认证产品

高压静电喷塑

环氧型聚脂混合粉

HYBRID

通过ISO14001国际环保认证企业

纯水洗

≤10μS电导率

美国标准

 

(五)招标第三部分《用户需求书》P3-页的“四、载重性能要求”中的第1小点和第2小点

1.“1.搁板载重:搁板上均布载重100kg,最大挠度为2mm,24h卸载后,不得裂纹,永不变形。”    

2.“2.全负载载重:每标准节在全负载600 kg(每层搁板均布载重100kg)的情况下,架体、立柱不应有明显变形,架体不应产生倾倒现象。”。

 

 

二、具体澄清更正内容:

 

(一)广东省政府采购网招标公告中的采购项目名称:云浮市住房和城乡建设局档案密集架采购项目”。

招标文件第部分《投标邀请函P1-2“二、合格投标人条件”中的第2小点:原资格条件取消。

 

招标文件第二部分《报价人须知》P2-20“技术商务打分表”中的“检测报告——提供有效期内国家办公用品设备质量监督检验中心出具的铝合金框侧板、不锈钢导轨、总承传动板、铝合金轨道检测报告”。

 

招标文件第三部分《用户需求书》P3-2页的“二、项目详细清单及参数需求一览表”中的第4小点,第5小点:

 4.密集架主要部件结构要求:

结构名称

相关要求

材质及

工艺

表面处理采用先进的静电喷塑工艺(颜色最终由用户确认),工件表面处理采用乳化剂和碱性助洗脱脂、磷酸除锈、锌系薄膜型磷化、钝化、最后粉末金属喷涂。喷涂为不含三酸异氰肝油(TGIC)的环氧树脂和聚脂树脂之混合型热固体粉末涂料,架体整体选用优质的钢板。注:板材厚度指钢板净厚,不包括涂料层

密集架

结构

分为双柱式结构,每层由两块板件组成,挂板双扣结构,层间距可据需任意调整,主要由轨道、底梁、立柱、层板、挂板、顶板、侧板、门板、传动装置、防倾倒件、防震制动件、缓冲密封装置组成。整体结构由底架、架体、传动机构、防护装置四大部分组成。

采用框架式结构,用材均采用热轧碳素钢折弯成型,高度120mm,并双弯边加强,弯边保持50mm,架体长期荷重存放资料不变形,底盘与立柱连接采用M10/55螺栓,并设有防倾倒装置,防止架体倾倒,底梁装配后的直线不大于0.5mm/m,全长不大于2mm

轨道

轨道板3.0mm,采用不锈轨道30425*25mm与铝合金轨道板组合成轨道,轨道板一性成型,轨道板中间预留凹槽,实心不锈钢方钢直接入凹槽内(无焊接)平整好,稳固性强,并在边安装铝合金护坡板(铝合金护坡为≥1.5mm厚度),采用嵌入式组装结构,可自由拆装,护坡表面应设有细槽,起防滑加强作用。轨道用膨胀螺丝或预埋式固定在地面上。

立柱

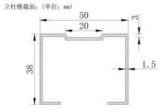
采用冷轧钢板,一次性成型制作工艺,立柱正面50mm,侧面38mm,50mm为正面冲压成凹凸型。并在立柱正面压印,压印凹槽成型尺寸≥20mm,深度≥3mm。增加承重能力,立柱均匀冲孔,使层数和间距可按需要调整;立柱插入底梁中。图片1.png

层板

层板采用双面(AB面)结构,用材均采用优质冷轧板,并采用三道弯边工艺,折弯高度为25mm,必要时增设加强筋,增加承载能力。每层层板能达到额定载重80kg。最大挠度为2mm,最大负荷载重24小时卸载后不得出现裂痕和钢性变形,残余变形量不大于0.2mm

档条

每二层层板中间设有一根档,便于分隔架体双面存放档案,材料均采用优质冷轧板压制成U型,设计为自锁式档条,依靠档条和挂板之间的机械组合达到锁紧功能。

挂板

选用优质冷轧钢板冲压成型。挂板与立柱之间的连接方式采用双扣勾挂板,挂板与层板之间也采用双扣勾,挂板与立柱连接的扣勾和挂板与层板连接的扣勾平行度相差<1mm

侧板

侧板两侧采用铝合金管件作为侧边框,管件正、侧面尺寸为50*50mm,圆弧角R15,中间采用1.0mm冷轧钢板,折弯成型厚度22mm与铝合金边框镶嵌组合,侧板顶、底面采用铝合金封边,顶、底面宽55mm,正面6mm(与侧板面为准),磁条镶扣固定在铝合金内侧。

顶板

顶板为整体平板,选用优质冷轧板制造。

门板

门面板安装在密集架的首列和最后一列,选用优质冷轧板,门板设置有双层门,由用户选定.锁具使用豪华型扣拉式方形锁。

传动机构

 

1.手柄:采用方向盘式铝合金,用塑钢制造。造型美观大方、摇把可隐藏、手感舒适,其结构为棘轮自动挂、脱挡,停用后摇把可自行停于垂直位置,可避免通道障碍,摇动任意一列不会带动其它把手。传动速比1:7:5,荷载能力,每标准节>600kg

2.传动系统:双向超越离合器结构,采用三分力、三变速、中间驱动方式自由挂档脱落装置。链轮为机械精加工而成,经锻压加工成型,回火去除应力,加工、滚点、插键槽、去毛齿、齿部经高频淬火HRC60-62。链条采用摩托车链条Φ8.5,节距12.7。滚珠轴承采用知名企业生产的名牌产品。链条破断力≥1800kg。滚轮采用铸铁制造;中轴和短轴采用Φ20mm45#实心圆钢;底盘轴承安装采用P204E级双排向心球高级轴承,精密度高,方向灵活,材料质量好,耐压与耐磨性能好,具有可靠的中心直线度,使架体滑动平衡、轻灵定位可靠,传动轻便灵活,摇手轻,运行平稳,性能达到和超过国家标准,即可单列移动也可多列同时移动。

 

 5.主要部件、技术参数采用标准说明一览表:

序号

设备

名称

设备配置

材料规格

采用标准

性能说明

1

轨道

轨道

3.0mm

铝合金材质

GB710-88

/

导轨

25*25实心不锈钢

GB699-88

2

底盘

底梁、轴档、夹紧块

3.0mm

热轧钢板

GB710-88

表面静电喷塑,喷塑前严格去油除锈和磷化处理.底盘采用整体焊接,钢性足,不变形,表面喷塑或喷漆

3

架体

挂板

1.0mm

冷轧钢板

GB710-88

架体结实、坚固、设计新颖,安装规范,层数和间距自由调整表面喷塑平正光亮,色泽均匀一致,无彭泡、脱落、伤痕等缺陷。外观漂亮。层板额定载重80kg,满负荷24小时后屈挠度≤3mm,制载后自动恢复,不得有裂纹及永久变形。

立柱

1.5mm

冷轧钢板

GB710-88

层板

1.0mm

冷轧钢板

GB710-88

4

门面

1.2mm

冷轧钢板

GB710-88

门板平整,款式新颖,表面亚光喷塑。ISO9001认证产品。

定位模块

ABS

注塑件

GB710-88

5

侧板

豪华

凹凸型

1.0mm

冷轧钢板

GB710-88

铝合金包边

6

传动

机构

轴承

HR204E级双排珠心

GB710-88

国内名牌轴承

传动轴

Φ20实心45mm#钢

GB699-88

传动机构配合精度高,定位可靠。传动轻便灵活,摇力轻,运行平稳,性能达到国标标准,不会出现失灵、打滑现象。滑轮载荷:2000kg/只。

连接钢管

Φ20实心45mm#钢

GB699-88

铁滚轮

HT204灰铁铸造

GB9434-88

链 轮

ZG45滚轮精制

GB1135-89

摩托车

链条

Φ8.5节距12.7FR420

GB1244-85

ISO9001认证产品,链条破断力≥1800kg

   摇手

铝合材质

双向超越离合器结构GB1285-85

造型美观大方,手感好,把手摇动任意一列均不会带动其它把手转动

摇手

体总成

滚珠轴承

7

制动

装置

边列锁定装具(总锁)

808锁

豪华型

每列均装有制动装置,操作方便,制动可靠,使用存取安全,经久耐用。

中列制动装置

制动开关

8

防护

装置

密封条

20mm

磁性冰箱门吸条

每列的接触面均有缓冲及密封装置,具有良好的防震、防尘、防鼠、防潮、防火功能。

顶板

1.0mm

冷轧钢板

GB710-88

防尘板、防鼠板

1.0mm

冷轧钢板

GB710-88

防倾倒

装  置

3.0mm

热轧钢板

GB710-88

9

表面

处理

前处

理药剂

Zn磷化

美国标准

ISO90019001:2004环境管理体认证产品

高压静电喷塑

环氧型聚脂混合粉

HYBRID

通过ISO14001国际环保认证企业

纯水洗

≤10μS电导率

美国标准

 

(五)招标第三部分《用户需求书》P3-页的“四、载重性能要求”中的第1小点和第2小点

1.1.搁板载重:搁板上均布额定载重80kg,最大挠度为2mm,24h卸载后,不得裂纹,永不变形。”

    2.“2.全负载载重:每标准节在全负载600 kg(每层搁板均布额定载重80㎏)的情况下,架体、立柱不应有明显变形,架体不应产生倾倒现象。”

 

    招标文件如涉及上述内容的亦作相应修改。原招标文件与更正修改文件有矛盾的地方,以此更正文件为准。其他内容不变。请各投标人在收到该更正文件后,在签收处盖章签字后即回传我公司确认,确认已收到本通知。

 

 

其他内容不变。

 

二、投标(响应)截止时间:2017年05040900分

 

三、联系事项

 

(一)采购人:云浮市住房和城乡建设局

(二)地址:云浮市住房和城乡建设局

      联系人:周先生     联系电话:0766-8986123

      邮编:527400

(二)采购代理机构 :广东晓君招标采购代理有限公司

(三)地址:云浮市云城区城中路110号第三幢三楼

      联系人:邓健         联系电话:0766-8399669

      传真:0766-8323938 邮编:527300

(三)采购项目联系人(采购人):周先生  联系电话:0766-8986123

      采购项目联系人(代理机构):杨晓君  联系电话:0766-8399669

 

特此公告。

 

 

发布人:广东晓君招标采购代理有限公司

 

发布时间:2017年04月12